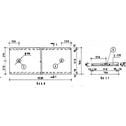
АП 3 плиты покрытия дымовентиляционных труб

Чертеж изделия:
Характеристики изделия:
ПараметрЗначение
длина1800 мм
ширина700 мм
высота80 мм
масса220 кг
нормативный документСерия ИИ 03-02

АП 3  Плиты покрытия дымовентиляционных труб по Серии ИИ 03-02.