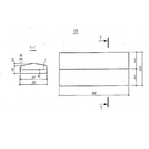
ПП 1 плиты парапетные
Характеристики изделия:
| Параметр | Значение |
|---|---|
| длина | 800 мм |
| ширина | 320 мм |
| высота | 98 мм |
| масса | 55 кг |
| нормативный документ | Серия Б 3.300.1-5.04 |
Цена:
Рассчитать стоимостьПП 1 Плиты парапетные по Серии Б 3.300.1-5.04.
| Параметр | Значение |
|---|---|
| длина | 800 мм |
| ширина | 320 мм |
| высота | 98 мм |
| масса | 55 кг |
| нормативный документ | Серия Б 3.300.1-5.04 |
ПП 1 Плиты парапетные по Серии Б 3.300.1-5.04.
