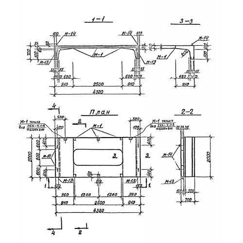
СБК-4.0

Чертеж изделия:
Характеристики изделия:
ПараметрЗначение
длина4320 мм
ширина2000 мм
высота700 мм
масса3700 кг
нормативный документСерия 3.903 КЛ-13

СБК-4.0   Блоки камеры средние по Серии 3.903 КЛ-13.