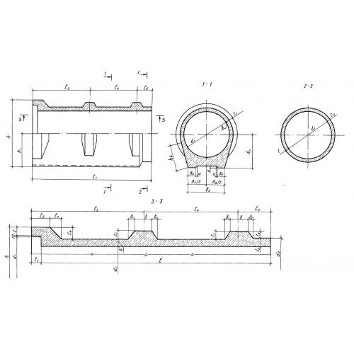
ТПР 100.25

Чертеж изделия:
Характеристики изделия:
ПараметрЗначение
длина2610 мм
ширина1200 мм
высота1470 мм
масса3300 кг
нормативный документСерия 3.820.1-81.94

ТПР 100.25  Труба бетонная безнапорная ребристая раструбная с подошвой, имеющая стыковое соединение втулочного конца. Уплотнение стыковой поверхности таких элементов производится герметиками. Серия 3.820.1-81.94.