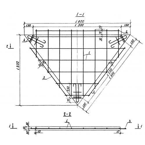
ПТВ 15

Чертеж изделия:
Характеристики изделия:
ПараметрЗначение
длина1500 мм
ширина1800 мм
высота60 мм
вес150 кг
серия3.820.1-32

ПТВ 15 Плиты с выпусками арматуры для крепления откосов мелиоративных каналов по серии 3.820.1-32.