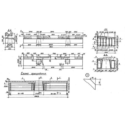
РК 91

Чертеж изделия:
Характеристики изделия:
ПараметрЗначение
длина9140 мм
ширина1400 мм
высота1750 мм
вес21500 кг
серия3.503.1-100

РК 91  Блоки ригеля по серии 3.503.1-100.