НСП 35.15 Плиты под оборудование ОРУ

Чертеж изделия:
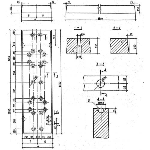
Характеристики изделия:
ПараметрЗначение
длина3500 мм
ширина1500 мм
высота250 мм
масса250 мм
нормативный документСерия 3.407.1-157

НСП 35.15  Несущие плиты с отверстиями по Серии 3.407.1-157.