П 2.7-3.5 Плита

Чертеж изделия:
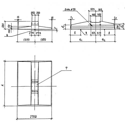
Характеристики изделия:
ПараметрЗначение
длина3500 мм
ширина2700 мм
высота500 мм
масса5000 кг
нормативный документСерия 3.407.1-144

П 2.7-3.5 Плиты фундаментов по Серии 3.407.1-144.