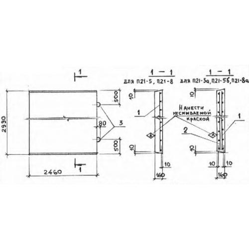
П 21 плиты лотков

Чертеж изделия:
Характеристики изделия:
ПараметрЗначение
длина2990 мм
ширина2460 мм
высота160 мм
масса2940 кг
нормативный документСерия 3.006.1-2/87

П 21 Плиты перекрытия лотков Серия 3.006.1-2/87.