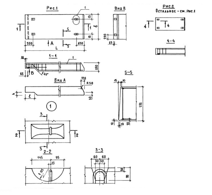
ПРТ 54.24.25

Чертеж изделия:
Характеристики изделия:
ПараметрЗначение
длина5380 мм
ширина2380 мм
высота250 мм
масса4260 кг
нормативный документСерия 1.165.1-12

ПРТ 54.24.25   Плиты покрытия плоские для зданий с теплым чердаком Серия 1.165.1-12.