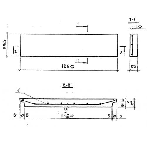
В-4

Чертеж изделия:
Характеристики изделия:
ПараметрЗначение
длина1220 мм
ширина250 мм
высота85 мм
вес62 кг
серия1.141.1 КР-3

В-4 Вкладыши железобетонные по серии 1.141.1 КР-3.