2ПР 16

Чертеж изделия:
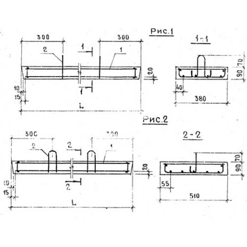
Характеристики изделия:
ПараметрЗначение
длина1680 мм
ширина510 мм
высота90 мм
вес193 кг
серия1.138-10

2ПР 16 Перемычки плитные по серии 1.138-10.