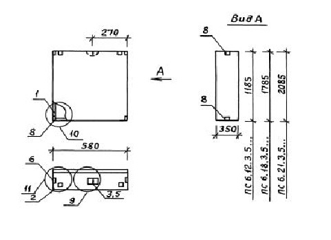
ПС 6.12.3.5 панели стеновые

Чертеж изделия:
Характеристики изделия:
ПараметрЗначение
длина580 мм
ширина350 мм
высота1185 мм
масса350 кг
нормативный документСерия 1.030.1-1/88

ПС 6.12.3.5  Панели стеновые Серия 1.030.1-1/88.