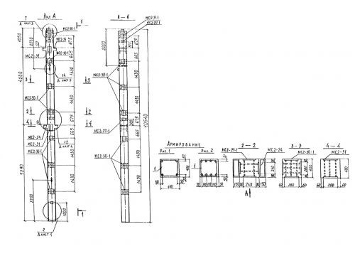
2КН 42-2 РПС 2-3

Чертеж изделия:
Характеристики изделия:
ПараметрЗначение
длина10540 мм
ширина400 мм
высота400 мм
масса4300 кг
нормативный документСерия 1.022 КЛ-2

2КН 42-2 РПС 2-3    Двухэтажные колонны стыковые нижнего яруса (Серия 1.022 КЛ-2).