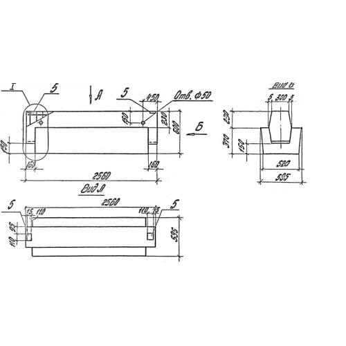
РДП 6.26 ригели

Чертеж изделия:
Характеристики изделия:
ПараметрЗначение
длина2560 мм
ширина595 мм
высота600 мм
масса1650 кг
нормативный документСерия 1.020-1/87

РДП 6.26  Ригели с двумя симметричными полками для опоры многопустотных плит покрытия Серия 1.020-1/87.