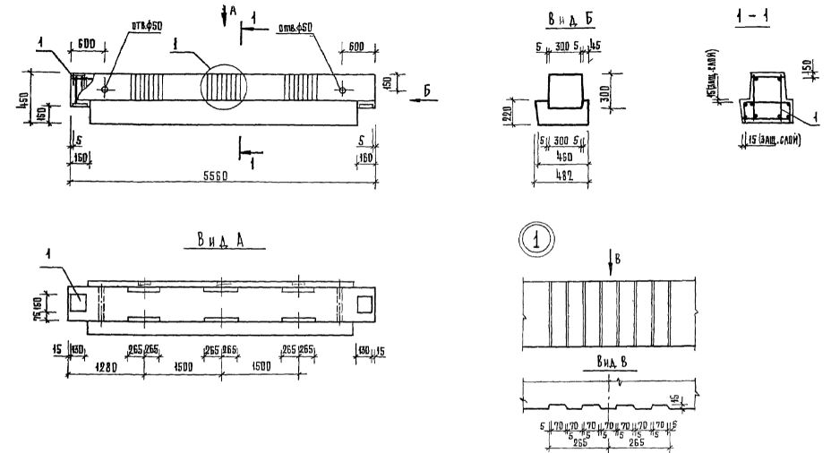
РОП 4.56 ригели

Чертеж изделия:
Характеристики изделия:
ПараметрЗначение
длина5560 мм
ширина482 мм
высота450 мм
масса2350 кг
нормативный документСерия 1.020-1/83

РОП 4.56  Ригели однополочные для опирания многопустотных плит покрытия Серия 1.020-1/83.