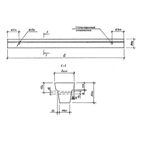
2БФ 51 балки фундаментные

Чертеж изделия:
Характеристики изделия:
ПараметрЗначение
длина5050 мм
ширина300 мм
высота300 мм
масса850 кг
нормативный документСерия 1.015.1-1.95

2БФ 51  Балки фундаментные Серия 1.015.1-1.95.