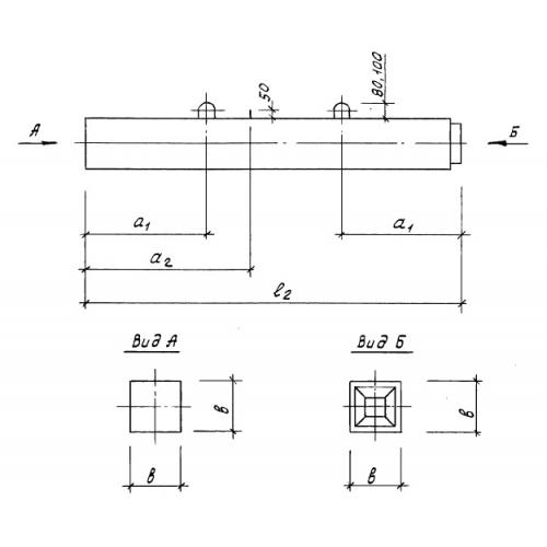
С 80.40

Чертеж изделия:
Характеристики изделия:
ПараметрЗначение
длина8000 мм
ширина400 мм
высота400 мм
вес3200 кг
серия1.011.1-10

С 80-40 Сваи составные верхние по серии 1.011.1-10.