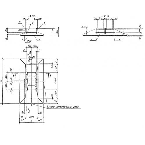
Ф5

Чертеж изделия:
Характеристики изделия:
ПараметрЗначение
длина3000 мм
ширина5400 мм
высота900 мм
вес17980 кг
серия0-221-84

Ф5 Плиты фундаментные по серии 0-221-84.