С 1
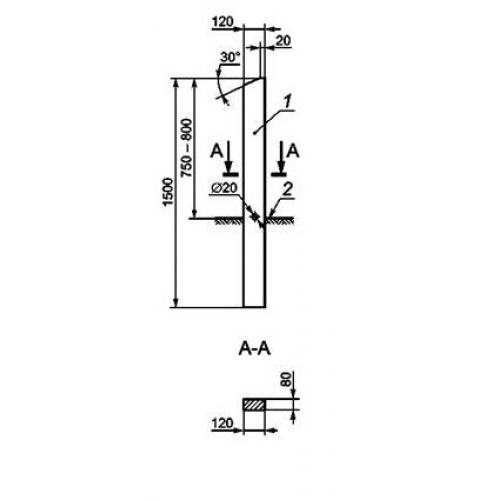
Характеристики изделия:
| Параметр | Значение |
|---|---|
| длина | 1500 мм |
| ширина | 120 мм |
| высота | 80 мм |
| масса | 35 кг |
| нормативный документ | ГОСТ 50970-2011 |
Цена:
Рассчитать стоимостьС 1 Сигнальные столбики ГОСТ 50970-2011.
| Параметр | Значение |
|---|---|
| длина | 1500 мм |
| ширина | 120 мм |
| высота | 80 мм |
| масса | 35 кг |
| нормативный документ | ГОСТ 50970-2011 |
С 1 Сигнальные столбики ГОСТ 50970-2011.
