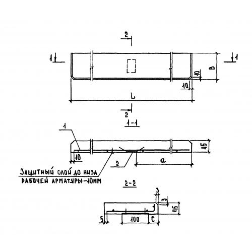
ПОО 19.15 плиты подоконные

Чертеж изделия:
Характеристики изделия:
ПараметрЗначение
длина1900 мм
ширина150 мм
высота45 мм
масса32 кг
нормативный документГОСТ 26919-86

ПОО 19.15  Плиты подоконные, отличаются достаточно гладкой поверхностью за счет добавления в бетонную смесь известкового вяжущего наполнителя, ГОСТ 26919-86.