К 8
Характеристики изделия:
| Параметр | Значение |
|---|---|
| длина | 750 мм |
| ширина | 450 мм |
| высота | 150 мм |
| масса | 78 кг |
| нормативный документ | ГОСТ 23899-79 |
Цена:
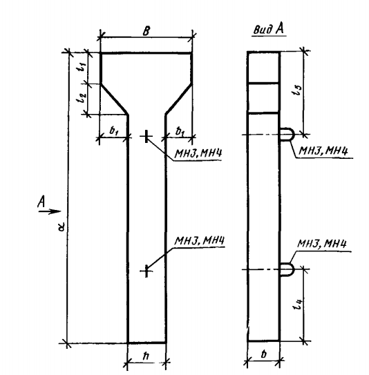
Рассчитать стоимостьК 8 Колонны железобетонные под параболические лотки ГОСТ 23899-79.
| Параметр | Значение |
|---|---|
| длина | 750 мм |
| ширина | 450 мм |
| высота | 150 мм |
| масса | 78 кг |
| нормативный документ | ГОСТ 23899-79 |
К 8 Колонны железобетонные под параболические лотки ГОСТ 23899-79.
